As mentioned in last months post about the 836, the next few Tube of the Month articles will cover transmitting tubes from the 800 series. After covering a rectifier, the next few articles will be about triodes. Starting with a directly heated tube with thoriated tungsten filaments, the 841.
The 841 is a very interesting tube since it is a directly heated triode with a rather high amplification factor of 30. Every tube amp builder who is into directly heated triodes, at a certain point wants to use them in other sockets besides just the output stage. Especially when it comes to preamps, the rather low mu of typical DHTs is a problem.
Only a few DHTs have amplification factors which make them suitable to get significant gain. Most of the higher mu ones with an amplification factor in the two digit range have very high plate resistances which limit their usability. The 841 is basically a modified 801 with the grid spacing altered to increase the amplification factor. Dispite it's high mu it has a still moderately low plate resistance of 40 kOhm. Too high for transformer coupling, but perfectly usable with RC coupling. Even LC coupling seems feasable with a suitable plate choke. The 841 has the same UX4 base and pinout as most DHTs. The base connections are pictured on the left. The complete RCA datasheet can be found here. As with most directly heated tubes, the preferred mounting position is up right with the base down. The RCA datasheet allows horizontal mounting if the plane of the electrodes is vertical. This avoids shorting of the filament to the grid. The filaments are quite flexible and can sag a little when mounted horizontally. Keeping the electrode plane vertical avoids the hazard of a short. Still I prefer to mount all DHTs up right. The 841 was manufactured by various of the large tube companies. The military designation of the tube is VT-51.
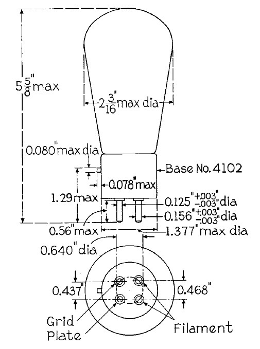
The tube has the same size as the 801A or 2A3. Dimensions can be found in the illustration on the right. As mentioned, the high amplification factor opens the possibility to use this tube in preamps. I actually plan to use it an a phonostage. Most likely with a plate choke and DC coupled to a 801A which will be transformer coupled for low output impedance. The 841 could also be used as a driver tube for DHTs which are easy to drive like the 801A or 45. This would enable a two stage all DHT power amp without the need of a step up input transformer to get sufficient gain. I have not used it this way yet but this is another project for the future. One of the most important aspects of the usability of a tube for audio amplifiers is it's linearity. The plate curves of the RCA datasheet look promising:
The curves from the GE datasheet:
How do these curves match to the reality? Let's have a look at the actual curves taken with a curve tracer:
This looks quite linear to me. So based on the electrical data this tube appears perfectly usable for audio. Another concern, especially in preamps, is microphonics. The further upstream in the signal path a tube is used, the more critical are microphonics. I have done a lot of experiments with DHTs in preamps already. With 801s I found those with ceramic base and graphite plates the least microphonic. So for phono stage use this french 841 from Mazdaradio seems very promising:
Some close up shots of this tube:
Next a VT51 from Hytron:
Initially the 841/VT51 was also made with globe shaped glass before the manufacturers moved to the more modern ST-shape. Like many tube enthusiasts I like the appearance of the older globe shapes. Many people including myself also prefer the sound of globe shaped tubes. Although they can be more microphonic as those with shoulder type glass, they seem to be worth it. A reason for the increased microphonics of globes is the lack of mechanical support of the electrodes on the top. The ST shape was introduced to provide extra support through a sheet of mica which stabilizes the tube structures. But the lack of that mica in the globe tubes might be a reason for their better sound since the mica can release some gas during the life time of the tube. In fact I found most globe tubes to have excellent vacuum dispite their age. A beautiful Taylor globe 841:
Some close up photos:
Next photos of a stunning globe 841 from General Electric:
And some close ups:
It has become a tradition of the Tube of the Month series, to dissect a tube and to have a close look at the internal construction. Luckily I had a dead 841 to take appart. First the glass needs to be removed:
The filament tension springs:
The grid structure:
A closer look:
A comparison between the grid of a 801A (top) and a 841 (bottom):
The tighter grid spacing is responsible for the higher amplification factor.
A very promising tube! Stay tuned for updates about it's use in an upcoming phono stage!
Best regards
Thomas






































